In this post I want to share several examples of fail-safe position selection of control valves. I posted about this topic a long time ago. You can also check the post.
A control valve consists of valve body, trim, or stem, plug and seat, and an actuator. The valve body consists of an orifice through which the manipulated variable passes. The trim or stem is connected to the diaphragm and the valve plug that can be in the form of a ball, a disk, or a gate. The valve seat offers a tight seal for a valve shutoff position.

Control valves are either reciprocating (rising stem) such as ball valves, gate valves, butterfly valves, or rotary such as globe valves. The valve can be either fail-open (air-to-close, A–C) or fail-closed (air-to-open, A–O). The choice is made based on the process safety. The valve actuator can be a pneumatically operated diaphragm, DC motor, or a stepping motor (useful with digital controllers).

Design of Control Valves
There are several issues to be considered in the design of a control valve:
- The choice of a proper actuator: pneumatic, hydraulic, electromagnetic.
- The correct action for the valve based on the process safety, fail-open (air-to-close) or fail-closed (air-to-open).
- The material of construction of the body, seat, and plug of the valve.
- Valve sizing that also includes the selection of the valve characteristics.
Valve Characteristics
Valve characteristic is selected from among the linear, square root, or equal percentage categories to render the control loop nearly linear over the entire operating range.

The pressure drop across the valve should be selected such that
Where:
Ps = pressure drop in the line (pump supply pressure ¼ Ps + ΔPv).
ΔPv (The pressure drop across the valve) = P1 – P2, should be selected to avoid flashing and cavitation of the liquid in the valve.
Determination of Correct Action for the Control Valves based on Process Safety
In this post, there are four examples of fail-safe position selection of control valves.
Example 1
Determine the controller action in a temperature control system of a reactor system in which an exothermic reaction takes place using a cooling water jacket.
Solution
The process safety requires a fail-open (FO) valve, so that in the case of a system failure, the cold water continues to be supplied at its maximum rate to the cooling jacket of the reactor to avoid a run-away condition.
The valve must be fail-open or air-to-close corresponding to a negative value of Kv (control valve action), which means that as the supplied pressure to the valve decreases, the flow rate of the cooling water increases.
The process gain (Kp) is also negative since higher cooling water flow rates result in a decrease in the reactor temperature.
Assuming that the sensor gain is positive (Km), in order to ensure that the overall gain of the control system remains positive, KcKvKpKm > 0, the controller gain (Kc) must be positive. A positive controller gain is referred to as reverse controller action.
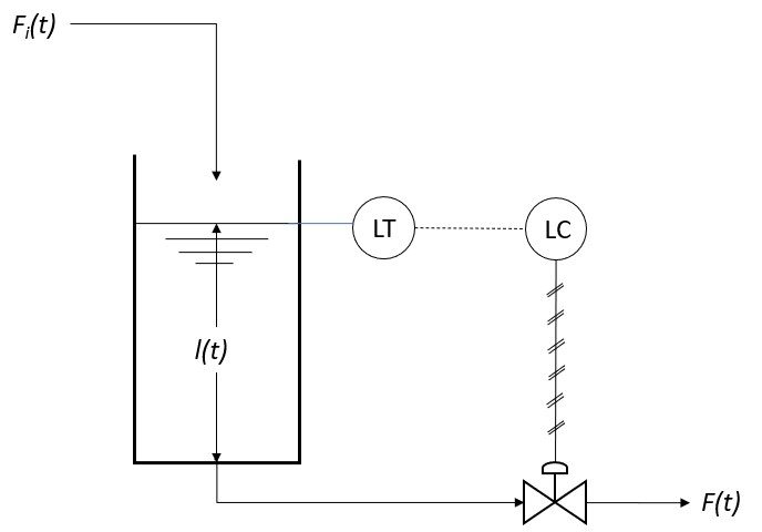
Example 2
In a surge tank with a control valve at its effluent stream, to avoid the possibility of a liquid spill over, safety considerations require a fail-open (FO) valve.

If the control valve air pressure increases, the valve opening decreases. Such a choice result in negative Kv (control valve action). The process gain is also negative, as F (the effluent flow rate) increases, the liquid level (l) decreases, therefore Kp <0. The sensor gain Km is positive. To meet the requirements of KcKvKpKm>0, Kc must be positive, indicating a reverse acting controller.
Therefore, if the level in the tank increases the controller output decreases. Because the valve is fail-open, decreasing the controller output increases the effluent flow rate and brings the level closer to its set point.
Example 3
Determine the correct action of a temperature controller in a reactor with an endothermic reaction using the flow rate of steam supplied to the heating jacket of the reactor as the manipulated variable.
Solution
Due to the safety considerations, the control valve must be fail-closed (air-to-open) corresponding to a positive Kv (control valve action). As the supplied pressure to the valve increases, the flow rate of steam increases. In the case of a sensor malfunction leading to the loss of control, the valve will shut down to stop the flow of steam to the process to avoid a possible hike in the temperature and eventual explosion.
The process gain is also positive (Kp>0), higher steam flow rates result in an increase in the reactor temperature. Assuming that the sensor gain is positive (Km>0), to ensure that the overall gain of the control system remains positive, KcKvKpKm> 0, the controller gain (Kc) must be positive, that is the controller will be “reverse” acting.
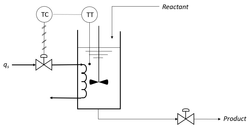
Example 4
Determine the correct action of a temperature controller in a polymerization reactor shown in figure below.

In a polymerization reactor, if the temperature of the reacting mixture falls below a limit, the viscosity increases, and the mixture may solidify. Safety requires a fail-open valve corresponding to negative Kv (control valve action). The process gain is positive (Kp>0), as the steam flow rate supplied to the heating coil increases, the temperature increases. Assuming that the sensor gain is positive (Km>0), to ensure that the overall gain of the control system remains positive, KcKvKpKm> 0, the controller gain (Kc) must be negative, that is the controller will be direct acting.
That’s all about fail-safe position selection of control valves. I hope you find this post useful.
