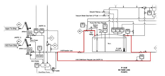
In LNG receiving terminal, where LNG is pumped from LNG carrier to onshore LNG storage tank, we have to provide one line to intermittently circulate LNG through unloading lines. This is called LNG recirculation line or keep-cool line. The function of this line is maintain cryogenic condition of the unloading line during holding mode. Unloading activity is conducting intermittently. Sometimes we need to wait for a week or even a month to the next LNG unloading. During this time, there is a possibility of increasing temperature in the line. To prevent that, we need to circulate LNG in unloading line.
BS EN 1473 also stated requirement of LNG recirculation. In section 9, it is stated that part of auxiliary process systems are
cool down and cold retaining systems (e.g. for maintaining LNG transfer systems at cryogenic temperatures when only standby.

Source of LNG for recirculation can be from send-out pump or dedicated LNG recirculation pump. The pressure required for recirculation is selected so that it can reach the furthest LNG pipe in jetty area back to LNG storage tank. If LNG send-out pump is high pressure high, it will be better to provide dedicated LNG recirculation pump.
How to calculate LNG recirculation requirement?
In my experience, to calculate LNG recirculation flow, we need to assume heat leak into pipe, for example I used 8 Btu/h/ft2. The principle is using this formula : Q = m Cp. delta T. We state delta T as 10 degree C, for example. So, we assumed that LNG recirculation is conducted to prevent increasing temperature more than 10 deg C. In Q section, we convert it into Q/A multiply by A. The area itself is pipe area of LNG recirculation pipe and LNG transfer line pipe.
One thought to “LNG Recirculation Requirement”